16010-H1004. 日産純正   日立シングルキャブ  B110(Ecxe, GX)

在庫 0

  16118-H1000 B110 CARB. CHAMBER (Ecxe, GX)
  HITACHI : AD217-1301

在庫 0

        日立シングルキャブ   ウエイト Gold/Silver



リペアーキット  # 16009-H1910/1/2/H5001/H1602

在庫 0
Carb. Assy #
Model
Engine
Year
16010-H1000/1/2/3/4
16010-H1901/2/3
16010-H5000/1/2
16010-H1602
SUNNY
B110, B120, B210
A12
1200cc
70/01 - 75/10

リペアーキット  # 16009-H8600/H8800

在庫 3
Carb. Assy #
Model
Engine
Year
RK-4578H
16010-H8600
16010-H8800
16010-H8810
SUNNY  B310 A12
1200cc
77/11 - 79/09


A15 B310  キャブ リペアーキット
1518
在庫 1
Carb. Assy #
Model
Engine
Year
16010-H8805
16010-H8865
SUNNY  B310
VANETTE C120
A15
1500cc
80/09 〜

 
 ブーツ Plunger Piston BT-02 for HITACHI carb.

在庫 29 pcs
 
 ブーツ Plunger Piston BT-03 for HITACHI carb.
A12他 Small Engine

在庫 20 pcs

 ブーツ Plunger Piston BT-05 for HITACHI carb.

在庫 18 pcs

 
  
A12S/14S/15S/E15S/E16S ニードルバルブ : NV78-22

在庫 3
Needl Valve CARB. NO. ENGINE MODEL YEAR
16101-H7860
16101-H9060


NV78-22
16010-H9500 A12S SUNNY 1200 81/08-
16010-B9960/H9960 SUNNY 1200 B311 79/09-
16010-H6100/H5003 SUNNY B210/VB210 73/08-
16010-H8500
16010-H8600
16010-H8800/10
16010-H9500/10
SUNNY B310 77/11-
16010-G1302
16010-G1615
16010-G1900
16010-G2600
SUNNY TRUCK B120,B122
SUNNY TRUCK VB310, 311,312
75/10-
16010-H9400 SUNNY VB310,311,312 77/11-'79/09
16010-G2520/21
16010-G2530
16010-H9401
VANETTE C120 78/10-
16010-G2600
16010-G1900
16010-G6101
VANETTE C122
VANETTE C22/TC22/VC22
81/06-
16010-H8660 A13S SUNNY B310 80/11-'81/09
16010-H7211/M8400/M8900 A14S PULSAR HN10, N10 79/09-
16010-M7201/7211/9560 PULSAR,LANGLEY N10, VHN11 79/09-'81/02
16010-G1304 SUNNY 1400 80/08-
16010-H9900/9920
16010-M6610
SUNNY 1400 B311 79/09-
16010-H8300/8310/11/12 SUNNY B211 76/02-
16010-W5000/W5600
16010-H8900/1
16010-H8910/1
16010-H8670/8700
SUNNY B310 77/11-
16010-M6860/M6610 SUNNY B310(LN10) 89/09-
16010-W8500/G2700 SUNNY VHB311, 312 79/10-
16010-W5000/W5600
16010-W6900
16010-W7500
16010-W8500
16010-H8900/11
VIOLET,AUSTER A10 78/01-
16010-M6660/M6760 A15S PULSAR LN10 80/11-
16010-H9905 SUNNY 1500 B311 79/09-
16010-H8805/8865
16010-H9060/65
16010-H9800/05
16010-H9810/15
SUNNY B310 80/09-
16010-M6660/6760/6860
SUNNY B310(LN10) 80/08-
16010-26M07/26M14 E13S SUNNY B11, PULSAR N12 83/08-
16010-11M05/14
16010-12M08/14
16010-21M00/01/02
16010-22M00/01/02
16010-23M00/01/02
16010-24M00/01/02
16010-25M67
16010-26M66
E15S PULSAR LN10
PULSAR N12
PULSAR N13
81/08-
16010-11M00/12M00 PULSAR,LANGLEY N10 81/03-'82/05
16010-11M02/04/15
16010-12M02/04/07/15
16010-13M00/03/05/07
PULSAR N12
LANGLEY N12
LIBERTA N12
82/05-
16010-11M01/03
16010-12E03
16010-12M01/03/07/08
16010-13M00/03/04/07
16010-25M03/60/67
16010-26M03/60
SUNNY B11 81/08-
16010-21M00/01/02
16010-22M00/01
16010-23M00/01/60/70
16010-24M00/01
SUNNY B310(LN10) 81/08-
16010-21M10/11/12
16010-22M10/11/12
16010-23M10/11/12
16010-23M20/22/23
16010-23M80/81
16010-24M10/11/12
16010-24M80/81
SUNNY LB11 82/02-
16010-21M10/11/12
16010-22M10/11/12
16010-23M10/11/12
16010-24M00/01/10/11/12
SUNNY LB310 81/11-
16010-19M01/2/3/4/5
16010-45A00/10
SUNNY VHB11 83/07-
16010-31M00/10
16010-32M00/10
16010-33M00/61/70/80/83/84
16010-34M00/61/70/80/83/84
E16S PULSAR LN12 82/08-
16010-31M00/10/11
16010-32M00/10/11
16010-33M00/61/70/80/81/83/84
16010-34M00/61/70/80/81/83/84
SUNNY LB11 82/08-
16010-01B02/02B02
16010-10B00/1/10/11/12
16010-10B21/22/23
16010-13B00/10/11
16010-14B00/01/10/11/12
16010-14B21/22
16010-15B00/10/11
16010-33B00/10
MA10S MARCH K10 82/10-

適合一覧 :   Needle Valve

#78-14

#78-15
#78-16
Carb. Assy
Model
Engine
Year
Gasket Kit #
Stock #
Needle Valve
Stock #
在庫
16010-14603 FAIRLADY SPL311 R 65/08- 16455-H2310 GK78-14 16101-10400 78-14 24
16010-E3201 FAIRLADY S30 L20 70/08- 16455-H2310 GK78-14 16101-10400 78-14
16010-25601 FAIRLADY SR311 L20 68/08- 16455-H2310 GK78-14 16101-10400 78-14
16010-H2300 SUNNY 1200GX A12 70/08- 16455-H2310 GK78-14 16101-10400 78-14
16010-H2301 SUNNY 1200GX A12 70/08- 16455-H2310 GK78-14 16101-10400 78-14
16010-E4301/4311 FAIRLADY 240Z L24 72/08- 16455-H2310 GK78-16 16101-25610 78-15 0
16010-E4302/4311 FAIRLADY 240Z L24 72/08- 16455-H2310 GK78-16 16101-25610 78-15
 16010-E8810 FAIRLADY SR311 L24 72/08- 16455-H2310 GK78-16 16101-E8810 78-16 0


適合一覧 :  Gasket Kit


 GK78-14

GK78-16


Carb. Assy #
Model
Engine
Year
Needle Valve #
Stock #
Gasket Kit #
Stock #
在庫
16010-14603 FAIRLADY SPL311 R 65/08- 16101-10400 78-14 16455-H2310 GK78-14 18
16010-E3201 FAIRLADY S30 L20 70/08- 16101-10400 78-14 16455-H2310 GK78-14
16010-25601 FAIRLADY SR311 L20 68/08- 16101-10400 78-14 16455-H2310 GK78-14
16010-H2300 SUNNY 1200GX A12 70/08- 16101-10400 78-14 16455-H2310 GK78-14
16010-H2301 SUNNY 1200GX A12 70/08- 16101-10400 78-14 16455-H2310 GK78-14
16010-E8810 FAIRLADY SR311 L24 72/08- 16101-E8810 78-16 16455-H2310 GK78-16 0
16010-E4301/4311 FAIRLADY 240Z L24 72/08- 16101-25610 78-15 16455-H2310 GK78-16
16010-E4302/4311 FAIRLADY 240Z L24 72/08- 16101-25610 78-15 16455-H2310 GK78-16


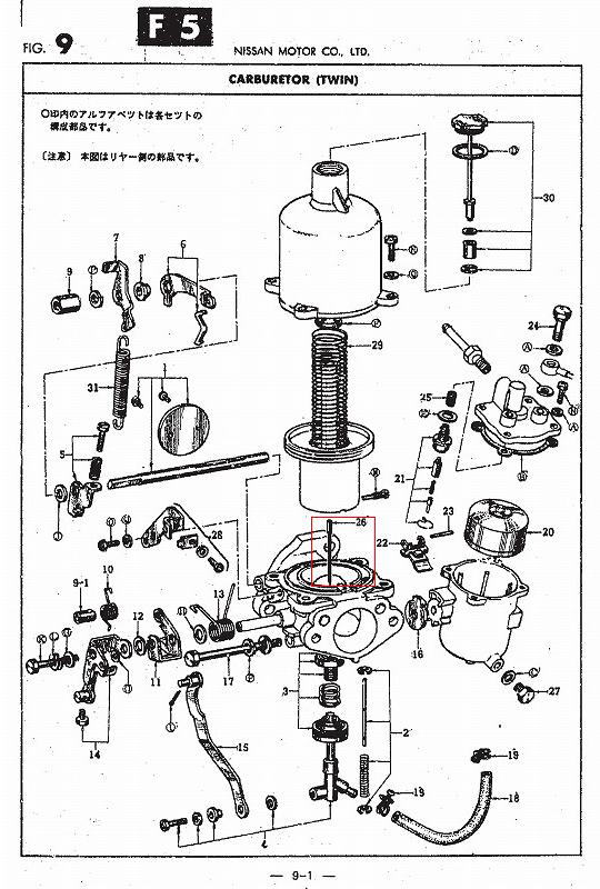
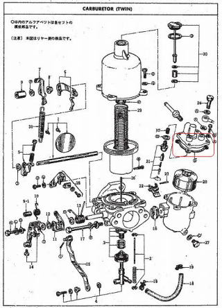
HITACHI SU キャブ   フロートチャンバー ガスケット

日立 SU  TWIN CARB.  
SUNNY 1200GX    
FAIRLADY SP311/SR311/S30


在庫  9

 HITACHI SU キャブ   純正フロート 16061-K1407 (樹脂製)

在庫 0
 

HITACHI NEEDLE
16354-H6000

在庫 0

 HITACHI SU キャブ  エアークリーナーガスケット: A6523-U0800

在庫 47
 
お問い合わせ